We use cookies to make your experience better. To comply with the new e-Privacy directive, we need to ask for your consent to set the cookies. Learn more.
| Rated Power (W) | 46 |
|---|---|
| Rated Voltage (V) | 24 |
| Rated Current (A) | 2.9 |
| Rated Motor Speed (rpm) | 4000 |
| Rated Torque (oz-in) | 15.58 |
| Peak Torque (oz-in) | 46.72 |
| Line-to-Line Resistance (ohms) | 1.5 |
| Line To Line Inductance (mH) | 4.4 |
| Motor Back EMF Voltage (V/kRPM) | 3.1 |
| Torque Constant (oz-in/A) | 5.4 |
| Rotor Inertia (oz-in-sec2) | 0.00106 |
| Motor Weight (lbs) | 1.1 |
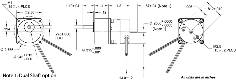
| L2 Motor Length (in) | 2.32 |
The BLWSG23 Series Brushless DC Motors come in a compact package with high power
density. These motors are cost-effective solutions to many velocity control applications. They
come in four different stack lengths to provide you with just the right torque for your application. A
number of windings are available off-the-shelf and the motors can be customized to fit your
machine requirements. The motors come in a standard 8- lead configuration. We can also
customize the windings to perfectly match your voltage, current, and maximum operating
speed. Special shaft modifications, cables and connectors are also available upon request.
| Output Shaft of Gearbox | |||||
|---|---|---|---|---|---|
| Gear Ratio | True Gear Ratio | Number of Gear Trains | Gearbox Length "L1" | Peak Torque (oz-in) | Gearbox Weight (lbs) |
| Gear RatioR3 | True Gear Ratio3.649 | Number of Gear Trains2 | Gearbox Length "L1"1.26 | Peak Torque (oz-in)694.5 | Gearbox Weight (lbs)0.52 |
| Gear RatioR7.5 | True Gear Ratio7.5 | Number of Gear Trains2 | Gearbox Length "L1"1.26 | Peak Torque (oz-in)694.5 | Gearbox Weight (lbs)0.52 |
| Gear RatioR12.5 | True Gear Ratio12.353 | Number of Gear Trains2 | Gearbox Length "L1"1.26 | Peak Torque (oz-in)694.5 | Gearbox Weight (lbs)0.52 |
| Gear RatioR15 | True Gear Ratio15 | Number of Gear Trains3 | Gearbox Length "L1"1.26 | Peak Torque (oz-in)694.5 | Gearbox Weight (lbs)0.60 |
| Gear RatioR25 | True Gear Ratio26.25 | Number of Gear Trains3 | Gearbox Length "L1"1.57 | Peak Torque (oz-in)694.5 | Gearbox Weight (lbs)0.60 |
| Gear RatioR30 | True Gear Ratio30.333 | Number of Gear Trains3 | Gearbox Length "L1"1.57 | Peak Torque (oz-in)694.5 | Gearbox Weight (lbs)0.60 |
| Gear RatioR50 | True Gear Ratio53.75 | Number of Gear Trains4 | Gearbox Length "L1"1.57 | Peak Torque (oz-in)694.5 | Gearbox Weight (lbs)0.68 |
| Gear RatioR75 | True Gear Ratio75.469 | Number of Gear Trains4 | Gearbox Length "L1"1.57 | Peak Torque (oz-in)694.5 | Gearbox Weight (lbs)0.68 |
| Gear RatioR90 | True Gear Ratio90 | Number of Gear Trains4 | Gearbox Length "L1"1.57 | Peak Torque (oz-in)694.5 | Gearbox Weight (lbs)0.68 |
| Gear RatioR100 | True Gear Ratio99.418 | Number of Gear Trains4 | Gearbox Length "L1"1.57 | Peak Torque (oz-in)694.5 | Gearbox Weight (lbs)0.68 |
| Gear RatioR120 | True Gear Ratio126.295 | Number of Gear Trains4 | Gearbox Length "L1"1.57 | Peak Torque (oz-in)694.5 | Gearbox Weight (lbs)0.68 |
| Gear RatioR150 | True Gear Ratio150.612 | Number of Gear Trains4 | Gearbox Length "L1"1.57 | Peak Torque (oz-in)694.5 | Gearbox Weight (lbs)0.68 |





