We use cookies to make your experience better. To comply with the new e-Privacy directive, we need to ask for your consent to set the cookies. Learn more.
| Rated Power (W) | 46 |
|---|---|
| Rated Voltage (V) | 36 |
| Rated Current (A) | 1.8 |
| Rated Motor Speed (rpm) | 4000 |
| Rated Torque (oz-in) | 15.58 |
| Peak Torque (oz-in) | 46.72 |
| Line-to-Line Resistance (ohms) | 1.5 |
| Line To Line Inductance (mH) | 4.4 |
| Motor Back EMF Voltage (V/kRPM) | 4.5 |
| Torque Constant (oz-in/A) | 8.5 |
| Rotor Inertia (oz-in-sec2) | 0.00106 |
| Motor Weight (lbs) | 1.1 |
| L2 Motor Length (in) | 2.32 |
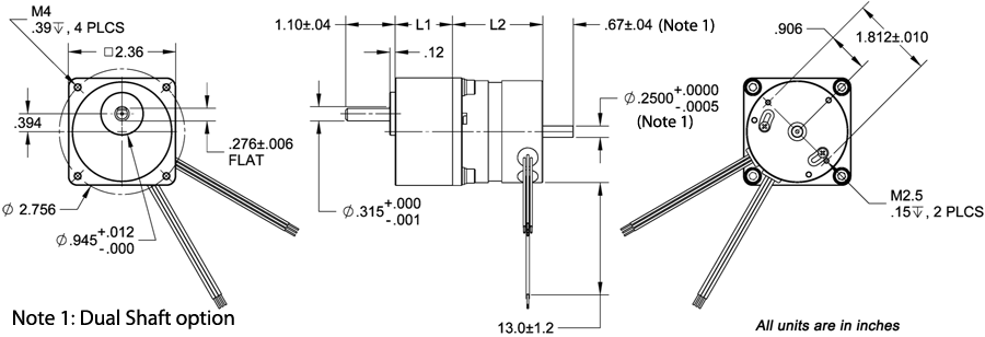
The BLWSG23 Series Brushless DC Gearmotors come in a compact package with high power density. These gearmotors are cost-effective solutions to many velocity control applications. They come in four different stack lengths to provide you with just the right torque for your application and are available in 12 different gear ratios, from 3:1 to 150:1. A number of windings are available off the shelf and the motors can be customized to fit your machine requirements. The motors come in a standard 8- lead configuration. We can also customize the windings to perfectly match your voltage, current, and maximum operating speed. Special shaft modifications, cables and connectors are also available upon request.
| Output Shaft of Gearbox | |||||
|---|---|---|---|---|---|
| Gear Ratio | True Gear Ratio | Number of Gear Trains | Gearbox Length "L1" | Peak Torque (oz-in) | Gearbox Weight (lbs) |
| Gear RatioR3 | True Gear Ratio3.649 | Number of Gear Trains2 | Gearbox Length "L1"1.26 | Peak Torque (oz-in)694.5 | Gearbox Weight (lbs)0.52 |
| Gear RatioR7.5 | True Gear Ratio7.5 | Number of Gear Trains2 | Gearbox Length "L1"1.26 | Peak Torque (oz-in)694.5 | Gearbox Weight (lbs)0.52 |
| Gear RatioR12.5 | True Gear Ratio12.353 | Number of Gear Trains2 | Gearbox Length "L1"1.26 | Peak Torque (oz-in)694.5 | Gearbox Weight (lbs)0.52 |
| Gear RatioR15 | True Gear Ratio15 | Number of Gear Trains3 | Gearbox Length "L1"1.26 | Peak Torque (oz-in)694.5 | Gearbox Weight (lbs)0.60 |
| Gear RatioR25 | True Gear Ratio26.25 | Number of Gear Trains3 | Gearbox Length "L1"1.57 | Peak Torque (oz-in)694.5 | Gearbox Weight (lbs)0.60 |
| Gear RatioR30 | True Gear Ratio30.333 | Number of Gear Trains3 | Gearbox Length "L1"1.57 | Peak Torque (oz-in)694.5 | Gearbox Weight (lbs)0.60 |
| Gear RatioR50 | True Gear Ratio53.75 | Number of Gear Trains4 | Gearbox Length "L1"1.57 | Peak Torque (oz-in)694.5 | Gearbox Weight (lbs)0.68 |
| Gear RatioR75 | True Gear Ratio75.469 | Number of Gear Trains4 | Gearbox Length "L1"1.57 | Peak Torque (oz-in)694.5 | Gearbox Weight (lbs)0.68 |
| Gear RatioR90 | True Gear Ratio90 | Number of Gear Trains4 | Gearbox Length "L1"1.57 | Peak Torque (oz-in)694.5 | Gearbox Weight (lbs)0.68 |
| Gear RatioR100 | True Gear Ratio99.418 | Number of Gear Trains4 | Gearbox Length "L1"1.57 | Peak Torque (oz-in)694.5 | Gearbox Weight (lbs)0.68 |
| Gear RatioR120 | True Gear Ratio126.295 | Number of Gear Trains4 | Gearbox Length "L1"1.57 | Peak Torque (oz-in)694.5 | Gearbox Weight (lbs)0.68 |
| Gear RatioR150 | True Gear Ratio150.612 | Number of Gear Trains4 | Gearbox Length "L1"1.57 | Peak Torque (oz-in)694.5 | Gearbox Weight (lbs)0.68 |





