We use cookies to make your experience better. To comply with the new e-Privacy directive, we need to ask for your consent to set the cookies. Learn more.
| Rated Voltage (V) | 24 |
|---|---|
| Rated Power (Watts) | 12 |
| Rated Torque (oz-in) | 2.12 |
| Rated Speed (RPM) | 8000 |
| Torque Constant (oz-in/A) | 0.8032 |
| Back EMF Voltage (V/kRPM) | 1.6 |
| Line-to-Line Resistance (ohm) | 4.8 |
| Line-to-Line Inductance (mH) | 0.315 |
| Rotor Inertia (oz-in-sec2) | 0.0000266 |
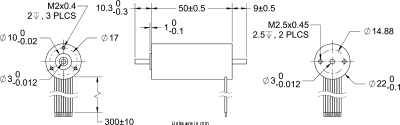
| "L" Motor Length (mm) | 50 |
| Weight (lbs) | 0.2 |
| RoHS Compliant | Yes |
The BLU09 Series Brushless DC Motors come in a compact package with high power density. These motors are cost effective solutions to many velocity control applications. With its small footprint, it is great for compact applications. These motors are great for your next high speed application. The rotor has been balanced to help achieve minimal vibrations. Spinning near 40,000 RPM's, ball bearings have been chosen with care to ensure long operation times. We can also customize the windings to perfectly match your voltage, current, and maximum operating speed. Special shaft modifications, cables and connectors are also available upon request.


.png)
.png)


.png)
.png)