GBPNR-1201-CS-010

GBPNR-1201-CS-010

GBPN-0901-FS-010

GBPN-0901-FS-010

GBPN-0641-FS-010

1pc Price:
As low as $759.00
Quantity Discount
Inventory:
More Information
Gear Ratio (X:1) 10
Rated Output Torque (in-lbs) 133
Max Output Torque (in-lbs) 257
Backlash Maximum (arc-min) 12
Maximum Input Speed (RPM) 13000
Stages 1
Efficiency (%) 96
L2 Length (mm) 45
Weight (lbs) 2.40
Interested in large quantity discount?

Product Information

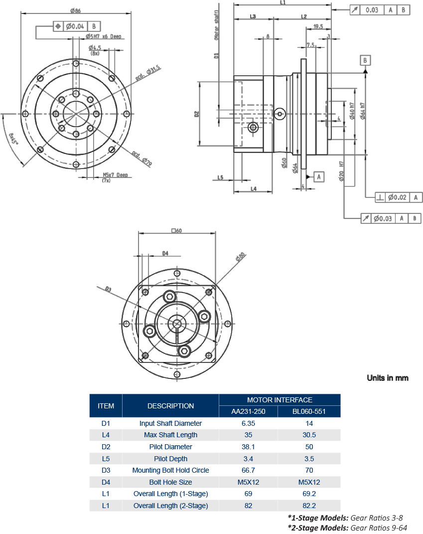
The GBPN-064x-FS Series Planetary Gearbox offers you the precision you need at the prices you want! This Planetary Gearbox is designed with the highest torque density possible for motion control, automation, and robotic applications requiring a compact solution. This planetary gearbox series is an ideal match for the NEMA 23 frame size as well as your servo, stepper, brushless, AC or DC motors. Built with the design goal of offering a cost effective product without sacrificing quality, you will find that this Planetary Gearbox offers you an extraordinary value. You will find online prices on this website along with all the information you need to know to select the perfect Planetary Gearbox for your applications. Please verify all dimensions when matching a gearbox to a specific motor, as critical dimensions will vary among series and manufacturers.
  • Backlash as Low as 16 arc-min
  • Gear Ratios from 3 to 64
  • Long Design Life, Over 30,000 hrs
  • Lifetime Lubrication
  • High Durability
  • 96 Percent Efficiency

 

For custom input dimensions, or non-Anaheim Automation motors, fill out our Gearbox Mounting Form and submit it to our Sales Engineers at [email protected]

The BL060 has replaced the old BLK24, EMJ60, and SMH60 designations. All dimensions remain unchanged.

Standard Gearbox part numbers have a "Suffix" representing a mounting flange ("motor interface") for specific Anaheim motor series:

Motor Interface / Suffix Anaheim Stepper Series Anaheim BLDC Series Anaheim Servo Series
AA231-250 23Y BLWS23 -
BL060-551 - BLF60 SMC60, SMH60

3D PDF

.STEP File (.RAR File)

Spec Sheet (PDF)

Mounting Form

Installation Guide

Have questions? Contact us!
Inquiries are answered in the order they are received; typically within 48 hours (M-F). Response time is dependent upon the volume of inquiries and our business schedule.

Okay. Tell us more about your company

Great! Now tell us what you need

You are about to submit your request