We use cookies to make your experience better. To comply with the new e-Privacy directive, we need to ask for your consent to set the cookies. Learn more.
| Gear Ratio (X:1) | 10 |
|---|---|
| Rated Output Torque (in-lbs) | 841 |
| Max Output Torque (in-lbs) | 1345 |
| Backlash Maximum (arc-min) | 7 |
| Maximum Input Speed (RPM) | 6500 |
| Stages | 1 |
| Efficiency (%) | 96 |
| Torsional Rigidity (Nm/arcmin) | 12 |
| L2 Length (mm) | 74 |
| Weight (lbs) | 13.23 |
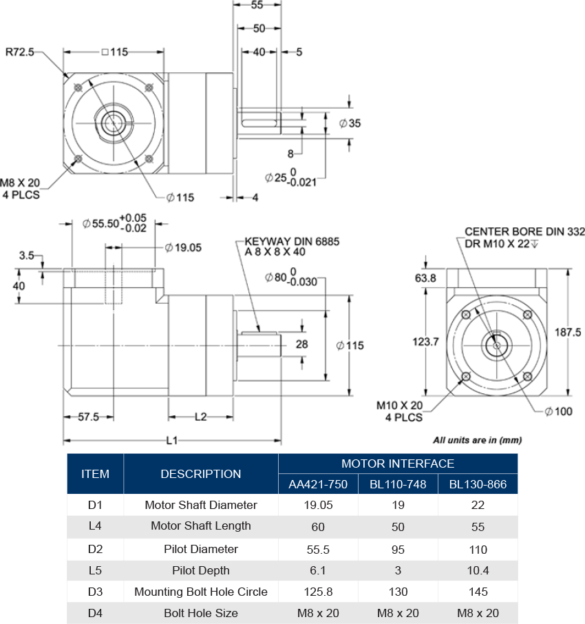
The GBPN-120x Series Planetary Gearbox offers you the precision you need at the prices you want! This Planetary Gearbox is designed with the highest torque density possible for motion control, automation, and robotic applications requiring a compact solution. This planetary gearbox series is an ideal match for the NEMA 42 frame size as well as your servo, stepper, brushless, AC or DC motors. Built with the design goal of offering a cost effective product without sacrificing quality, you will find that this Planetary Gearbox offers you an extraordinary value. You will find online prices on this website along with all the information you need to know to select the perfect Planetary Gearbox for your applications. Please verify all dimensions when matching a gearbox to a specific motor, as critical dimensions will vary among series and manufacturers.


For custom input dimensions, or non-Anaheim Automation motors, fill out our Gearbox Mounting Form and submit it to our Sales Engineers at [email protected]
Standard Gearbox part numbers have a "Suffix" representing a mounting flange ("motor interface") for specific Anaheim motor series:
| Motor Interface / Suffix | Anaheim Stepper Series | Anaheim BLDC Series | Anaheim Servo Series |
| AA421-750 | - | - | |
| BL110-748 | - | - | KNC-SRV-SMH110 |
| BL130-866 | - | - |