We use cookies to make your experience better. To comply with the new e-Privacy directive, we need to ask for your consent to set the cookies. Learn more.
| Gear Ratio (X:1) | 80 |
|---|---|
| Rated Output Torque (in-lbs) | 389 |
| Max Output Torque (in-lbs) | 619 |
| Backlash Maximum (arc-min) | 21 |
| Maximum Input Speed (RPM) | 13000 |
| Stages | 3 |
| Efficiency (%) | 88 |
| Torsional Rigidity (Nm/arcmin) | 2.5 |
| L1 Length (mm) | 173 |
| L2 Length (mm) | 72 |
| Weight (lbs) | 4.60 |
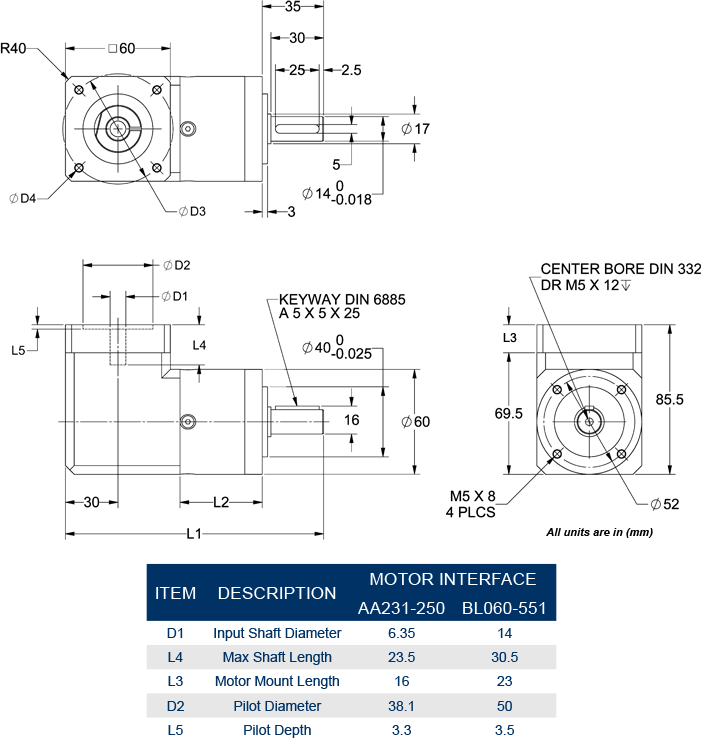
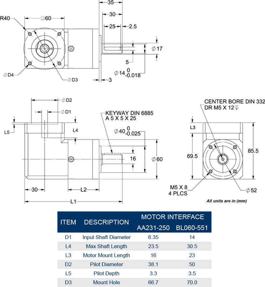
The GBPNR-060x-CS Series right angle planetary gearbox offers you the precision you need at the prices you want! This right angle planetary gearbox is designed with very low backlash for motion control, automation, and robotic applications requiring precise position requirements. This right angle planetary gearbox will match your servo or stepping motor. It comes in 22 different gear ratios. Built with the design goal of offering a cost effective product without sacrificing quality, you will find that this right angle planetary gearbox offers you an extraordinary value. Please verify all dimensions when matching a gearbox to a specific motor, as critical dimensions will vary among series and manufacturers.


For custom input dimensions, or non-Anaheim Automation motors, fill out our Gearbox Mounting Form and submit it to our Sales Engineers at [email protected]
The BL060 has replaced the old BLK24, EMJ60, and SMH60 designations. All dimensions remain unchanged.
Standard Gearbox part numbers have a "Suffix" representing a mounting flange ("motor interface") for specific Anaheim motor series:
| Motor Interface / Suffix | Anaheim Stepper Series | Anaheim BLDC Series | Anaheim Servo Series |
| AA231-250 | 23Y | BLWS23 | - |
| BL060-551 | - | BLF60 | SMC60, SMH60 |
.png)
.png)