We use cookies to make your experience better. To comply with the new e-Privacy directive, we need to ask for your consent to set the cookies. Learn more.
| Gear Ratio (X:1) | 12 |
|---|---|
| Rated Output Torque (in-lbs) | 2567 |
| Max Output Torque (in-lbs) | 4621 |
| Backlash Maximum (arc-min) | 3 |
| Maximum Input Speed (RPM) | 8000 |
| Stages | 2 |
| Efficiency (%) | 94 |
| Torsional Rigidity (Nm/arcmin) | 23 |
| L2 Length (mm) | 100 |
| Weight (lbs) | 20.90 |
The GBPS-115x Series is an In-Line Planetary Helical Gearbox line that offers great prices without sacrificing precision and quality. The GBPS-115x Series is designed for motion control applications requiring moderate backlash and stiffness. Features include backlash as low as 1 arcminute, 22 gear ratios for rated torque up to 2478 in-lbs (39,648 oz-in), (model dependent), a precision clamping system and lifetime lubrication. Please verify all dimensions when matching a gearbox to a specific motor, as critical dimensions will vary among series and manufacturers.


For custom input dimensions, or non-Anaheim Automation motors, fill out our Gearbox Mounting Form and submit it to our Sales Engineers at [email protected]
Standard Gearbox part numbers have a "Suffix" representing a mounting flange ("motor interface") for specific Anaheim motor series:
| Motor Interface / Suffix | Anaheim Stepper Series | Anaheim BLDC Series | Anaheim Servo Series |
| AA421-750 | - | - | |
| BL110-748 | - | - | KNC-SRV-SMH110 |


For custom input dimensions, or non-Anaheim Automation motors, fill out our Gearbox Mounting Form and submit it to our Sales Engineers at [email protected]
Standard Gearbox part numbers have a "Suffix" representing a mounting flange ("motor interface") for specific Anaheim motor series:
| Motor Interface / Suffix | Anaheim Stepper Series | Anaheim BLDC Series | Anaheim Servo Series |
| AA421-750 | - | - | |
| BL110-748 | - | - | KNC-SRV-SMH110 |


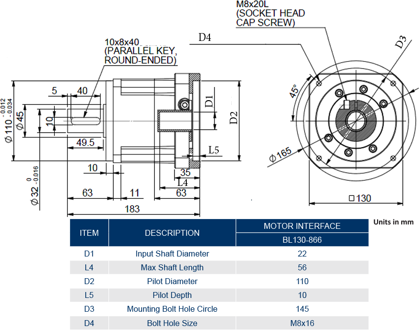
Standard Gearbox part numbers have a "Suffix" representing a mounting flange ("motor interface") for specific Anaheim Automation motor series:
The BL130-866 mounting flange is compatible with KNC-SRV-SMC130 servo motors.
For custom input dimensions, or non-Anaheim Automation motors, fill out our Gearbox Mounting Form and submit it to our Sales Engineers at [email protected]


Standard Gearbox part numbers have a "Suffix" representing a mounting flange ("motor interface") for specific Anaheim Automation motor series:
The BL130-866 mounting flange is compatible with KNC-SRV-SMC130 servo motors.
For custom input dimensions, or non-Anaheim Automation motors, fill out our Gearbox Mounting Form and submit it to our Sales Engineers at [email protected]