GBPH-090x-NS

GBPH-090x-NS | Anaheim Automation, Inc.

Information

The GBPH-090x-NS Series is an In-Line Planetary Gearbox line that offers great prices without sacrificing precision and quality! The GBPH-090x-NS Series is designed for motion control applications requiring moderate backlash and stiffness. This series will match most NEMA 34 (90mm) servo or stepping motors. Features include standard backlash as low as 11 arc-min, 32 gear ratios from 3 to 1,000 for rated torque up to 1,487 in-lbs (23,791 oz-in), (model dependent), a patented precision clamping system and lifetime lubrication. Please verify all dimensions when matching to a motor.

  • Compatable with NEMA Size 34 Motors
  • Backlash as Low as 11 arc-min
  • Gear Ratios from 3 to 1000
  • Available in 1, 2, 3 and 4 Stage Models
  • Operating Temperature of -15° to 90°C
  • Rated Output Torque 1239 to 1487 in-lb
Item (click for more information) Gear Ratio (X:1) Rated Output Torque (in-lbs) Max Output Torque (in-lbs) Backlash Maximum (arc-min) Rated Speed (RPM) Stages Efficiency (%) Torsional Rigidity (Nm/arcmin) L2 Length (mm) Weight (lbs) 1pc Price (USD) Add to Cart
Sort by Name GBPH-0904-NS-1000 Gear Ratio (X:1) 1000 Rated Output Torque (in-lbs) 1487 Max Output Torque (in-lbs) 4460 Backlash Maximum (arc-min) 16 Rated Speed (RPM) 4000 Stages 3 Efficiency (%) 95 Torsional Rigidity (Nm/arcmin) 11 L2 Length (mm) 156 Weight (lbs) 12.13 1pc Price (USD) $840.00 Configure
Sort by Name GBPH-0903-NS-700 Gear Ratio (X:1) 700 Rated Output Torque (in-lbs) 1487 Max Output Torque (in-lbs) 4460 Backlash Maximum (arc-min) 16 Rated Speed (RPM) 4000 Stages 3 Efficiency (%) 95 Torsional Rigidity (Nm/arcmin) 11 L2 Length (mm) 113 Weight (lbs) 12.13 1pc Price (USD) $704.00 Configure
Sort by Name GBPH-0903-NS-500 Gear Ratio (X:1) 500 Rated Output Torque (in-lbs) 1487 Max Output Torque (in-lbs) 4460 Backlash Maximum (arc-min) 16 Rated Speed (RPM) 4000 Stages 3 Efficiency (%) 95 Torsional Rigidity (Nm/arcmin) 11 L2 Length (mm) 113 Weight (lbs) 12.13 1pc Price (USD) $704.00 Configure
Sort by Name GBPH-0903-NS-400 Gear Ratio (X:1) 400 Rated Output Torque (in-lbs) 1487 Max Output Torque (in-lbs) 4460 Backlash Maximum (arc-min) 16 Rated Speed (RPM) 4000 Stages 3 Efficiency (%) 95 Torsional Rigidity (Nm/arcmin) 11 L2 Length (mm) 113 Weight (lbs) 12.13 1pc Price (USD) $704.00 Configure
Sort by Name GBPH-0903-NS-300 Gear Ratio (X:1) 300 Rated Output Torque (in-lbs) 1487 Max Output Torque (in-lbs) 4460 Backlash Maximum (arc-min) 16 Rated Speed (RPM) 4000 Stages 3 Efficiency (%) 95 Torsional Rigidity (Nm/arcmin) 11 L2 Length (mm) 113 Weight (lbs) 12.13 1pc Price (USD) $704.00 Configure
Sort by Name GBPH-0903-NS-200 Gear Ratio (X:1) 200 Rated Output Torque (in-lbs) 1487 Max Output Torque (in-lbs) 4460 Backlash Maximum (arc-min) 16 Rated Speed (RPM) 4000 Stages 3 Efficiency (%) 95 Torsional Rigidity (Nm/arcmin) 11 L2 Length (mm) 113 Weight (lbs) 12.13 1pc Price (USD) $704.00 Configure
Sort by Name GBPH-0903-NS-150 Gear Ratio (X:1) 150 Rated Output Torque (in-lbs) 1487 Max Output Torque (in-lbs) 4460 Backlash Maximum (arc-min) 16 Rated Speed (RPM) 4000 Stages 3 Efficiency (%) 95 Torsional Rigidity (Nm/arcmin) 11 L2 Length (mm) 113 Weight (lbs) 12.13 1pc Price (USD) $704.00 Configure
Sort by Name GBPH-0903-NS-090 Gear Ratio (X:1) 90 Rated Output Torque (in-lbs) 1487 Max Output Torque (in-lbs) 4460 Backlash Maximum (arc-min) 16 Rated Speed (RPM) 4000 Stages 3 Efficiency (%) 94 Torsional Rigidity (Nm/arcmin) 11 L2 Length (mm) 113 Weight (lbs) 12.13 1pc Price (USD) $704.00 Configure
Sort by Name GBPH-0903-NS-080 Gear Ratio (X:1) 80 Rated Output Torque (in-lbs) 1487 Max Output Torque (in-lbs) 4460 Backlash Maximum (arc-min) 16 Rated Speed (RPM) 4000 Stages 3 Efficiency (%) 94 Torsional Rigidity (Nm/arcmin) 11 L2 Length (mm) 113 Weight (lbs) 12.13 1pc Price (USD) $704.00 Configure
Sort by Name GBPH-0903-NS-075 Gear Ratio (X:1) 75 Rated Output Torque (in-lbs) 1487 Max Output Torque (in-lbs) 4460 Backlash Maximum (arc-min) 16 Rated Speed (RPM) 4000 Stages 3 Efficiency (%) 94 Torsional Rigidity (Nm/arcmin) 11 L2 Length (mm) 113 Weight (lbs) 12.13 1pc Price (USD) $704.00 Configure
Sort by Name GBPH-0903-NS-060 Gear Ratio (X:1) 60 Rated Output Torque (in-lbs) 1487 Max Output Torque (in-lbs) 4460 Backlash Maximum (arc-min) 16 Rated Speed (RPM) 4000 Stages 3 Efficiency (%) 94 Torsional Rigidity (Nm/arcmin) 11 L2 Length (mm) 113 Weight (lbs) 12.13 1pc Price (USD) $704.00 Configure
Sort by Name GBPH-0903-NS-045 Gear Ratio (X:1) 45 Rated Output Torque (in-lbs) 1487 Max Output Torque (in-lbs) 4460 Backlash Maximum (arc-min) 16 Rated Speed (RPM) 4000 Stages 3 Efficiency (%) 94 Torsional Rigidity (Nm/arcmin) 11 L2 Length (mm) 113 Weight (lbs) 12.13 1pc Price (USD) $704.00 Configure
Sort by Name GBPH-0903-NS-036 Gear Ratio (X:1) 36 Rated Output Torque (in-lbs) 1487 Max Output Torque (in-lbs) 4460 Backlash Maximum (arc-min) 16 Rated Speed (RPM) 4000 Stages 3 Efficiency (%) 94 Torsional Rigidity (Nm/arcmin) 11 L2 Length (mm) 113 Weight (lbs) 12.13 1pc Price (USD) $704.00 Configure
Sort by Name GBPH-0902-NS-100 Gear Ratio (X:1) 100 Rated Output Torque (in-lbs) 1469 Max Output Torque (in-lbs) 4408 Backlash Maximum (arc-min) 16 Rated Speed (RPM) 4000 Stages 2 Efficiency (%) 94 Torsional Rigidity (Nm/arcmin) 11 L2 Length (mm) 87 Weight (lbs) 9.92 1pc Price (USD) $542.00 Configure
Sort by Name GBPH-0902-NS-070 Gear Ratio (X:1) 70 Rated Output Torque (in-lbs) 1469 Max Output Torque (in-lbs) 4408 Backlash Maximum (arc-min) 16 Rated Speed (RPM) 4000 Stages 2 Efficiency (%) 94 Torsional Rigidity (Nm/arcmin) 11 L2 Length (mm) 87 Weight (lbs) 9.92 1pc Price (USD) $542.00 Configure
Sort by Name GBPH-0902-NS-050 Gear Ratio (X:1) 50 Rated Output Torque (in-lbs) 1372 Max Output Torque (in-lbs) 4116 Backlash Maximum (arc-min) 16 Rated Speed (RPM) 4000 Stages 2 Efficiency (%) 94 Torsional Rigidity (Nm/arcmin) 11 L2 Length (mm) 87 Weight (lbs) 9.92 1pc Price (USD) $542.00 Configure
Sort by Name GBPH-0902-NS-049 Gear Ratio (X:1) 49 Rated Output Torque (in-lbs) 1487 Max Output Torque (in-lbs) 4460 Backlash Maximum (arc-min) 16 Rated Speed (RPM) 4000 Stages 2 Efficiency (%) 94 Torsional Rigidity (Nm/arcmin) 11 L2 Length (mm) 87 Weight (lbs) 9.92 1pc Price (USD) $542.00 Configure
Sort by Name GBPH-0902-NS-040 Gear Ratio (X:1) 40 Rated Output Torque (in-lbs) 1487 Max Output Torque (in-lbs) 4461 Backlash Maximum (arc-min) 16 Rated Speed (RPM) 4000 Stages 2 Efficiency (%) 94 Torsional Rigidity (Nm/arcmin) 11 L2 Length (mm) 87 Weight (lbs) 9.92 1pc Price (USD) $542.00 Configure
Sort by Name GBPH-0902-NS-035 Gear Ratio (X:1) 35 Rated Output Torque (in-lbs) 1487 Max Output Torque (in-lbs) 4408 Backlash Maximum (arc-min) 16 Rated Speed (RPM) 4000 Stages 2 Efficiency (%) 94 Torsional Rigidity (Nm/arcmin) 11 L2 Length (mm) 87 Weight (lbs) 9.92 1pc Price (USD) $542.00 Configure
Sort by Name GBPH-0902-NS-030 Gear Ratio (X:1) 30 Rated Output Torque (in-lbs) 1239 Max Output Torque (in-lbs) 3717 Backlash Maximum (arc-min) 16 Rated Speed (RPM) 4000 Stages 2 Efficiency (%) 94 Torsional Rigidity (Nm/arcmin) 11 L2 Length (mm) 87 Weight (lbs) 9.92 1pc Price (USD) $542.00 Configure
Sort by Name GBPH-0902-NS-028 Gear Ratio (X:1) 28 Rated Output Torque (in-lbs) 1469 Max Output Torque (in-lbs) 4408 Backlash Maximum (arc-min) 16 Rated Speed (RPM) 4000 Stages 2 Efficiency (%) 94 Torsional Rigidity (Nm/arcmin) 11 L2 Length (mm) 87 Weight (lbs) 9.92 1pc Price (USD) $542.00 Configure
Sort by Name GBPH-0902-NS-025 Gear Ratio (X:1) 25 Rated Output Torque (in-lbs) 1487 Max Output Torque (in-lbs) 4461 Backlash Maximum (arc-min) 16 Rated Speed (RPM) 4000 Stages 2 Efficiency (%) 94 Torsional Rigidity (Nm/arcmin) 11 L2 Length (mm) 87 Weight (lbs) 9.92 1pc Price (USD) $542.00 Configure
Sort by Name GBPH-0902-NS-021 Gear Ratio (X:1) 21 Rated Output Torque (in-lbs) 1239 Max Output Torque (in-lbs) 3717 Backlash Maximum (arc-min) 16 Rated Speed (RPM) 4000 Stages 2 Efficiency (%) 94 Torsional Rigidity (Nm/arcmin) 11 L2 Length (mm) 87 Weight (lbs) 9.92 1pc Price (USD) $542.00 Configure
Sort by Name GBPH-0902-NS-020 Gear Ratio (X:1) 20 Rated Output Torque (in-lbs) 1487 Max Output Torque (in-lbs) 4461 Backlash Maximum (arc-min) 16 Rated Speed (RPM) 4000 Stages 2 Efficiency (%) 94 Torsional Rigidity (Nm/arcmin) 11 L2 Length (mm) 87 Weight (lbs) 9.92 1pc Price (USD) $542.00 Configure
Sort by Name GBPH-0902-NS-016 Gear Ratio (X:1) 16 Rated Output Torque (in-lbs) 1487 Max Output Torque (in-lbs) 4461 Backlash Maximum (arc-min) 16 Rated Speed (RPM) 4000 Stages 2 Efficiency (%) 94 Torsional Rigidity (Nm/arcmin) 11 L2 Length (mm) 87 Weight (lbs) 9.92 1pc Price (USD) $542.00 Configure
Sort by Name GBPH-0902-NS-015 Gear Ratio (X:1) 15 Rated Output Torque (in-lbs) 1487 Max Output Torque (in-lbs) 4461 Backlash Maximum (arc-min) 16 Rated Speed (RPM) 4000 Stages 2 Efficiency (%) 94 Torsional Rigidity (Nm/arcmin) 11 L2 Length (mm) 87 Weight (lbs) 9.92 1pc Price (USD) $542.00 Configure
Sort by Name GBPH-0902-NS-012 Gear Ratio (X:1) 12 Rated Output Torque (in-lbs) 1239 Max Output Torque (in-lbs) 3717 Backlash Maximum (arc-min) 16 Rated Speed (RPM) 4000 Stages 2 Efficiency (%) 94 Torsional Rigidity (Nm/arcmin) 11 L2 Length (mm) 87 Weight (lbs) 9.92 1pc Price (USD) $542.00 Configure
Sort by Name GBPH-0901-NS-010 Gear Ratio (X:1) 10 Rated Output Torque (in-lbs) 1239 Max Output Torque (in-lbs) 3717 Backlash Maximum (arc-min) 11 Rated Speed (RPM) 4000 Stages 1 Efficiency (%) 97 Torsional Rigidity (Nm/arcmin) 11 L2 Length (mm) 61 Weight (lbs) 7.72 1pc Price (USD) $415.00 Configure
Sort by Name GBPH-0901-NS-007 Gear Ratio (X:1) 7 Rated Output Torque (in-lbs) 1469 Max Output Torque (in-lbs) 4408 Backlash Maximum (arc-min) 11 Rated Speed (RPM) 4000 Stages 1 Efficiency (%) 97 Torsional Rigidity (Nm/arcmin) 11 L2 Length (mm) 61 Weight (lbs) 7.72 1pc Price (USD) $415.00 Configure
Sort by Name GBPH-0901-NS-005 Gear Ratio (X:1) 5 Rated Output Torque (in-lbs) 1372 Max Output Torque (in-lbs) 4116 Backlash Maximum (arc-min) 11 Rated Speed (RPM) 4000 Stages 1 Efficiency (%) 97 Torsional Rigidity (Nm/arcmin) 11 L2 Length (mm) 61 Weight (lbs) 7.72 1pc Price (USD) $415.00 Configure
Sort by Name GBPH-0901-NS-004 Gear Ratio (X:1) 4 Rated Output Torque (in-lbs) 1487 Max Output Torque (in-lbs) 4461 Backlash Maximum (arc-min) 11 Rated Speed (RPM) 4000 Stages 1 Efficiency (%) 97 Torsional Rigidity (Nm/arcmin) 11 L2 Length (mm) 61 Weight (lbs) 7.72 1pc Price (USD) $415.00 Configure
Sort by Name GBPH-0901-NS-003 Gear Ratio (X:1) 3 Rated Output Torque (in-lbs) 1239 Max Output Torque (in-lbs) 3717 Backlash Maximum (arc-min) 11 Rated Speed (RPM) 4000 Stages 1 Efficiency (%) 97 Torsional Rigidity (Nm/arcmin) 11 L2 Length (mm) 61 Weight (lbs) 7.72 1pc Price (USD) $415.00 Configure
Loading...

Additional Information

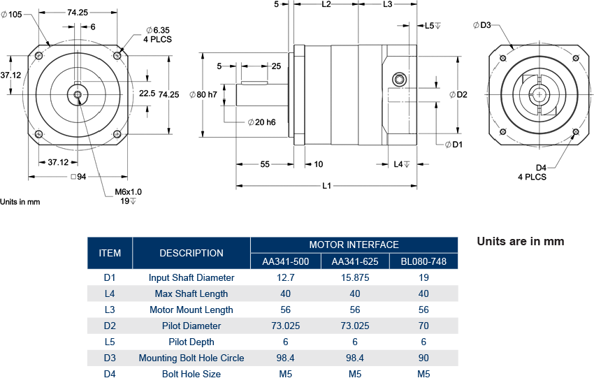
 The BL080 has replaced the old BLK32 and SMH80 designation. All dimensions remain unchanged.

Motor Interface codes shown in this chart represent "suffixes" for complete gearbox part numbers. Choose a gearbox Item from the product table above, and you will be able to select the appropriate motor interface/suffix on the individual product page.

For custom input dimensions, or non-Anaheim Automation motors, fill out our  Gearbox Mounting Form  and submit it to our Sales Engineers at [email protected]

3D PDF

.STEP File (.RAR File)

Spec Sheet (PDF)

Mounting Form

Installation Guide