GBPNR-120x-CS

GBPNR-120x-CS | Anaheim Automation, Inc.

Information

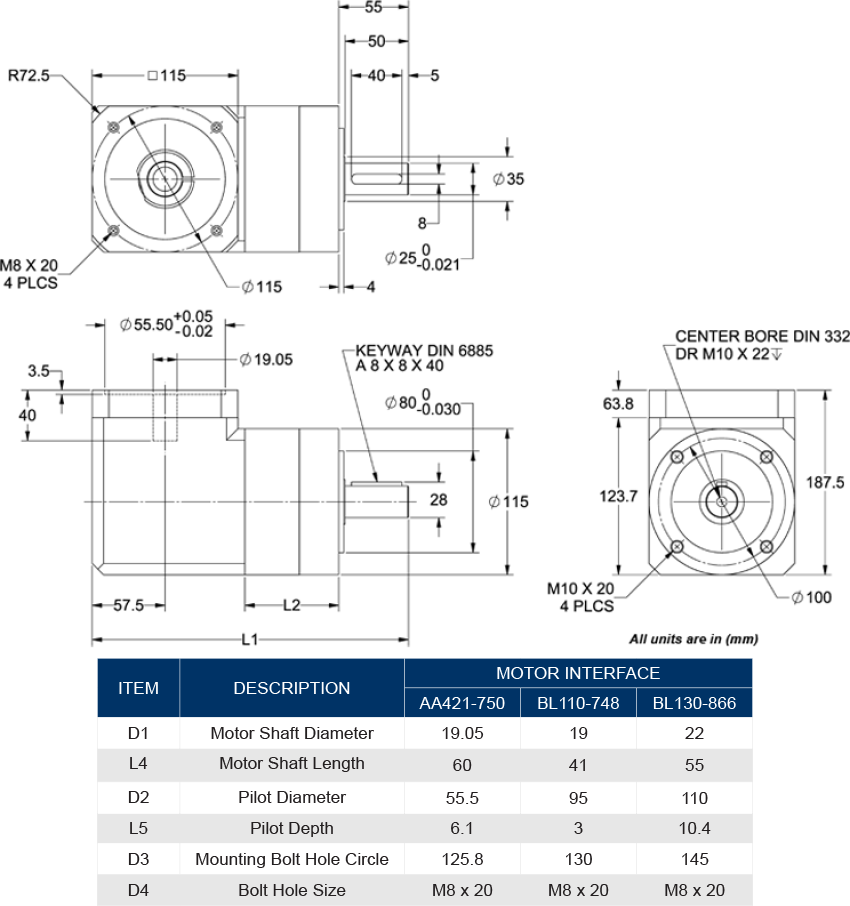
The GBPNR-120x-CS Series is a right-angle planetary gearbox that is ideal for motion control applications wherein the power flow needs to be redirected. The input flange is adaptable to be compatible with most NEMA 42 (120mm) servo, stepper, AC, or DC motor. These economical gearboxes offer the industry's highest torque ratings with four planets used in the output stage to boost the load capacity. The GBPNR120x-CS Series features 22 gear ratios from 3 to 512, with rated torque up to 2,301 in-lbs (36,816 oz-in), (model dependent). Lifetime lubrication makes them maintenance free! Please verify all dimensions when matching a gearbox to a specific motor, as critical dimensions will vary among series and manufacturers.

  • Gear Ratios from 3 to 512
  • Backlash Lower than 18 arc-min
  • Available in 1, 2 and 3 Stage Models
  • Lifetime Lubrication
  • High Durability
Item (click for more information) Gear Ratio (X:1) Rated Output Torque (in-lbs) Max Output Torque (in-lbs) Backlash Maximum (arc-min) Maximum Input Speed (RPM) Stages Efficiency (%) Torsional Rigidity (Nm/arcmin) L1 Length (mm) L2 Length (mm) Weight (lbs) 1pc Price (USD) Add to Cart
Sort by Name GBPNR-1201-CS-010 Gear Ratio (X:1) 10 Rated Output Torque (in-lbs) 841 Max Output Torque (in-lbs) 1345 Backlash Maximum (arc-min) 12 Maximum Input Speed (RPM) 6500 Stages 1 Efficiency (%) 94 Torsional Rigidity (Nm/arcmin) 10 L1 Length (mm) 250 L2 Length (mm) 74 Weight (lbs) 27.80 1pc Price (USD) $1,548.00 Configure
Sort by Name GBPNR-1203-CS-512 Gear Ratio (X:1) 512 Rated Output Torque (in-lbs) 1062 Max Output Torque (in-lbs) 1699 Backlash Maximum (arc-min) 18 Maximum Input Speed (RPM) 6500 Stages 3 Efficiency (%) 88 Torsional Rigidity (Nm/arcmin) 12 L1 Length (mm) 304 L2 Length (mm) 128 Weight (lbs) 36.60 1pc Price (USD) $1,992.00 Configure
Sort by Name GBPNR-1203-CS-320 Gear Ratio (X:1) 320 Rated Output Torque (in-lbs) 2035 Max Output Torque (in-lbs) 3257 Backlash Maximum (arc-min) 18 Maximum Input Speed (RPM) 6500 Stages 3 Efficiency (%) 88 Torsional Rigidity (Nm/arcmin) 12 L1 Length (mm) 304 L2 Length (mm) 128 Weight (lbs) 36.60 1pc Price (USD) $1,992.00 Configure
Sort by Name GBPNR-1203-CS-256 Gear Ratio (X:1) 256 Rated Output Torque (in-lbs) 2301 Max Output Torque (in-lbs) 3681 Backlash Maximum (arc-min) 18 Maximum Input Speed (RPM) 6500 Stages 3 Efficiency (%) 88 Torsional Rigidity (Nm/arcmin) 12 L1 Length (mm) 304 L2 Length (mm) 128 Weight (lbs) 36.60 1pc Price (USD) $1,992.00 Configure
Sort by Name GBPNR-1203-CS-200 Gear Ratio (X:1) 200 Rated Output Torque (in-lbs) 2035 Max Output Torque (in-lbs) 3257 Backlash Maximum (arc-min) 18 Maximum Input Speed (RPM) 6500 Stages 3 Efficiency (%) 88 Torsional Rigidity (Nm/arcmin) 12 L1 Length (mm) 304 L2 Length (mm) 128 Weight (lbs) 36.60 1pc Price (USD) $1,992.00 Configure
Sort by Name GBPNR-1203-CS-160 Gear Ratio (X:1) 160 Rated Output Torque (in-lbs) 2301 Max Output Torque (in-lbs) 3681 Backlash Maximum (arc-min) 18 Maximum Input Speed (RPM) 6500 Stages 3 Efficiency (%) 88 Torsional Rigidity (Nm/arcmin) 12 L1 Length (mm) 304 L2 Length (mm) 128 Weight (lbs) 36.60 1pc Price (USD) $1,992.00 Configure
Sort by Name GBPNR-1203-CS-120 Gear Ratio (X:1) 120 Rated Output Torque (in-lbs) 2035 Max Output Torque (in-lbs) 3257 Backlash Maximum (arc-min) 18 Maximum Input Speed (RPM) 6500 Stages 3 Efficiency (%) 88 Torsional Rigidity (Nm/arcmin) 12 L1 Length (mm) 304 L2 Length (mm) 128 Weight (lbs) 36.60 1pc Price (USD) $1,992.00 Configure
Sort by Name GBPNR-1203-CS-100 Gear Ratio (X:1) 100 Rated Output Torque (in-lbs) 2301 Max Output Torque (in-lbs) 3681 Backlash Maximum (arc-min) 18 Maximum Input Speed (RPM) 6500 Stages 3 Efficiency (%) 88 Torsional Rigidity (Nm/arcmin) 12 L1 Length (mm) 304 L2 Length (mm) 128 Weight (lbs) 36.60 1pc Price (USD) $1,992.00 Configure
Sort by Name GBPNR-1203-CS-080 Gear Ratio (X:1) 80 Rated Output Torque (in-lbs) 2301 Max Output Torque (in-lbs) 3681 Backlash Maximum (arc-min) 18 Maximum Input Speed (RPM) 6500 Stages 3 Efficiency (%) 88 Torsional Rigidity (Nm/arcmin) 12 L1 Length (mm) 304 L2 Length (mm) 128 Weight (lbs) 36.60 1pc Price (USD) $1,992.00 Configure
Sort by Name GBPNR-1203-CS-060 Gear Ratio (X:1) 60 Rated Output Torque (in-lbs) 2301 Max Output Torque (in-lbs) 3681 Backlash Maximum (arc-min) 18 Maximum Input Speed (RPM) 6500 Stages 3 Efficiency (%) 88 Torsional Rigidity (Nm/arcmin) 12 L1 Length (mm) 304 L2 Length (mm) 128 Weight (lbs) 36.60 1pc Price (USD) $1,992.00 Configure
Sort by Name GBPNR-1202-CS-064 Gear Ratio (X:1) 64 Rated Output Torque (in-lbs) 1062 Max Output Torque (in-lbs) 1699 Backlash Maximum (arc-min) 16 Maximum Input Speed (RPM) 6500 Stages 2 Efficiency (%) 92 Torsional Rigidity (Nm/arcmin) 13 L1 Length (mm) 304 L2 Length (mm) 128 Weight (lbs) 32.20 1pc Price (USD) $1,809.00 Configure
Sort by Name GBPNR-1202-CS-040 Gear Ratio (X:1) 40 Rated Output Torque (in-lbs) 2035 Max Output Torque (in-lbs) 3257 Backlash Maximum (arc-min) 16 Maximum Input Speed (RPM) 6500 Stages 2 Efficiency (%) 92 Torsional Rigidity (Nm/arcmin) 13 L1 Length (mm) 277 L2 Length (mm) 101 Weight (lbs) 32.20 1pc Price (USD) $1,809.00 Configure
Sort by Name GBPNR-1202-CS-032 Gear Ratio (X:1) 32 Rated Output Torque (in-lbs) 2301 Max Output Torque (in-lbs) 3681 Backlash Maximum (arc-min) 16 Maximum Input Speed (RPM) 6500 Stages 2 Efficiency (%) 92 Torsional Rigidity (Nm/arcmin) 13 L1 Length (mm) 277 L2 Length (mm) 101 Weight (lbs) 32.20 1pc Price (USD) $1,809.00 Configure
Sort by Name GBPNR-1202-CS-025 Gear Ratio (X:1) 25 Rated Output Torque (in-lbs) 2035 Max Output Torque (in-lbs) 3257 Backlash Maximum (arc-min) 16 Maximum Input Speed (RPM) 6500 Stages 2 Efficiency (%) 92 Torsional Rigidity (Nm/arcmin) 13 L1 Length (mm) 277 L2 Length (mm) 101 Weight (lbs) 32.20 1pc Price (USD) $1,809.00 Configure
Sort by Name GBPNR-1202-CS-020 Gear Ratio (X:1) 20 Rated Output Torque (in-lbs) 2301 Max Output Torque (in-lbs) 3681 Backlash Maximum (arc-min) 16 Maximum Input Speed (RPM) 6500 Stages 2 Efficiency (%) 92 Torsional Rigidity (Nm/arcmin) 13 L1 Length (mm) 277 L2 Length (mm) 101 Weight (lbs) 32.20 1pc Price (USD) $1,809.00 Configure
Sort by Name GBPNR-1202-CS-016 Gear Ratio (X:1) 16 Rated Output Torque (in-lbs) 2301 Max Output Torque (in-lbs) 3681 Backlash Maximum (arc-min) 16 Maximum Input Speed (RPM) 6500 Stages 2 Efficiency (%) 92 Torsional Rigidity (Nm/arcmin) 13 L1 Length (mm) 277 L2 Length (mm) 101 Weight (lbs) 32.20 1pc Price (USD) $1,809.00 Configure
Sort by Name GBPNR-1202-CS-015 Gear Ratio (X:1) 15 Rated Output Torque (in-lbs) 2035 Max Output Torque (in-lbs) 3257 Backlash Maximum (arc-min) 16 Maximum Input Speed (RPM) 6500 Stages 2 Efficiency (%) 92 Torsional Rigidity (Nm/arcmin) 13 L1 Length (mm) 277 L2 Length (mm) 101 Weight (lbs) 32.20 1pc Price (USD) $1,809.00 Configure
Sort by Name GBPNR-1202-CS-012 Gear Ratio (X:1) 12 Rated Output Torque (in-lbs) 2301 Max Output Torque (in-lbs) 3681 Backlash Maximum (arc-min) 16 Maximum Input Speed (RPM) 6500 Stages 2 Efficiency (%) 92 Torsional Rigidity (Nm/arcmin) 13 L1 Length (mm) 277 L2 Length (mm) 101 Weight (lbs) 32.20 1pc Price (USD) $1,809.00 Configure
Sort by Name GBPNR-1202-CS-009 Gear Ratio (X:1) 9 Rated Output Torque (in-lbs) 1858 Max Output Torque (in-lbs) 2973 Backlash Maximum (arc-min) 16 Maximum Input Speed (RPM) 6500 Stages 2 Efficiency (%) 92 Torsional Rigidity (Nm/arcmin) 13 L1 Length (mm) 277 L2 Length (mm) 101 Weight (lbs) 32.20 1pc Price (USD) $1,809.00 Configure
Sort by Name GBPNR-1201-CS-008 Gear Ratio (X:1) 8 Rated Output Torque (in-lbs) 1062 Max Output Torque (in-lbs) 1699 Backlash Maximum (arc-min) 12 Maximum Input Speed (RPM) 6500 Stages 1 Efficiency (%) 94 Torsional Rigidity (Nm/arcmin) 10 L1 Length (mm) 250 L2 Length (mm) 74 Weight (lbs) 27.80 1pc Price (USD) $1,548.00 Configure
Sort by Name GBPNR-1201-CS-005 Gear Ratio (X:1) 5 Rated Output Torque (in-lbs) 1150 Max Output Torque (in-lbs) 1840 Backlash Maximum (arc-min) 12 Maximum Input Speed (RPM) 6500 Stages 1 Efficiency (%) 94 Torsional Rigidity (Nm/arcmin) 10 L1 Length (mm) 250 L2 Length (mm) 74 Weight (lbs) 27.80 1pc Price (USD) $1,548.00 Configure
Sort by Name GBPNR-1201-CS-004 Gear Ratio (X:1) 4 Rated Output Torque (in-lbs) 929 Max Output Torque (in-lbs) 1487 Backlash Maximum (arc-min) 12 Maximum Input Speed (RPM) 6500 Stages 1 Efficiency (%) 94 Torsional Rigidity (Nm/arcmin) 10 L1 Length (mm) 250 L2 Length (mm) 74 Weight (lbs) 27.80 1pc Price (USD) $1,548.00 Configure
Sort by Name GBPNR-1201-CS-003 Gear Ratio (X:1) 3 Rated Output Torque (in-lbs) 708 Max Output Torque (in-lbs) 1132 Backlash Maximum (arc-min) 12 Maximum Input Speed (RPM) 6500 Stages 1 Efficiency (%) 94 Torsional Rigidity (Nm/arcmin) 10 L1 Length (mm) 250 L2 Length (mm) 74 Weight (lbs) 27.80 1pc Price (USD) $1,548.00 Configure
Loading...

Additional Information

 

Motor Interface codes shown in this chart represent "suffixes" for complete gearbox part numbers. Choose a gearbox Item from the product table above, and you will be able to select the appropriate motor interface/suffix on the individual product page.

The BL110 and BL130 have replaced the old BLK42 and EM130 designations. All dimensions remain unchanged.

For custom input dimensions, or non-Anaheim Automation motors, fill out our  Gearbox Mounting Form  and submit it to our Sales Engineers at [email protected]

3D PDF

.STEP File (.RAR File)

Spec Sheet (PDF)

Mounting Form

Installation Guide